恒立液压获得实用新型专利授权:“紧凑型电动缸”
证券之星消息,根据天眼查APP数据显示恒立液压(601100)新获得一项实用新型专利授权,专利名为“紧凑型电动缸”,专利申请号为CN202421686067.0,授权日为2025年7月15日。

图片来源于网络,如有侵权,请联系删除
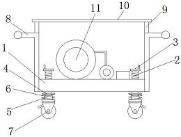
专利摘要:本实用新型公开了一种紧凑型电动缸,包括:箱体和箱盖,箱体与箱盖连接以形成一容纳空间;电机,电机安装在容纳空间内,电机的前端设有第一减振件,电机的后端设有第二减振件;丝杆组件,丝杆组件安装在容纳空间内,丝杆组件与电机通过齿轮组件连接;活塞,活塞与丝杆组件连接,活塞的后端伸出容纳空间外,活塞的后端连接有活塞杆。通过在电机的前端、后端分别设置硅胶垫、橡胶块,一方面,既可以提升电机的减振效果,又能够防止电机因振动而产生的轴向移动;另一方面,采用硅胶垫和橡胶块作为减振部件,有利于减小电动缸整体的体积,使得电动缸的结构更加紧凑。

图片来源于网络,如有侵权,请联系删除
今年以来恒立液压新获得专利授权66个,较去年同期增加了57.14%。结合公司2024年年报财务数据,2024年公司在研发方面投入了7.28亿元,同比增4.79%。
通过天眼查大数据分析,江苏恒立液压股份有限公司共对外投资了9家企业,参与招投标项目323次;财产线索方面有商标信息173条,专利信息667条,著作权信息5条;此外企业还拥有行政许可33个。
数据来源:天眼查APP
以上内容为证券之星据公开信息整理,由AI算法生成(网信算备310104345710301240019号),不构成投资建议。
目录 返回
首页
