国电南瑞获得发明专利授权:“新能源机组控制参数日前调整方法、系统、设备和介质”
证券之星消息,根据天眼查APP数据显示国电南瑞(600406)新获得一项发明专利授权,专利名为“新能源机组控制参数日前调整方法、系统、设备和介质”,专利申请号为CN202411607064.8,授权日为2025年10月24日。

图片来源于网络,如有侵权,请联系删除
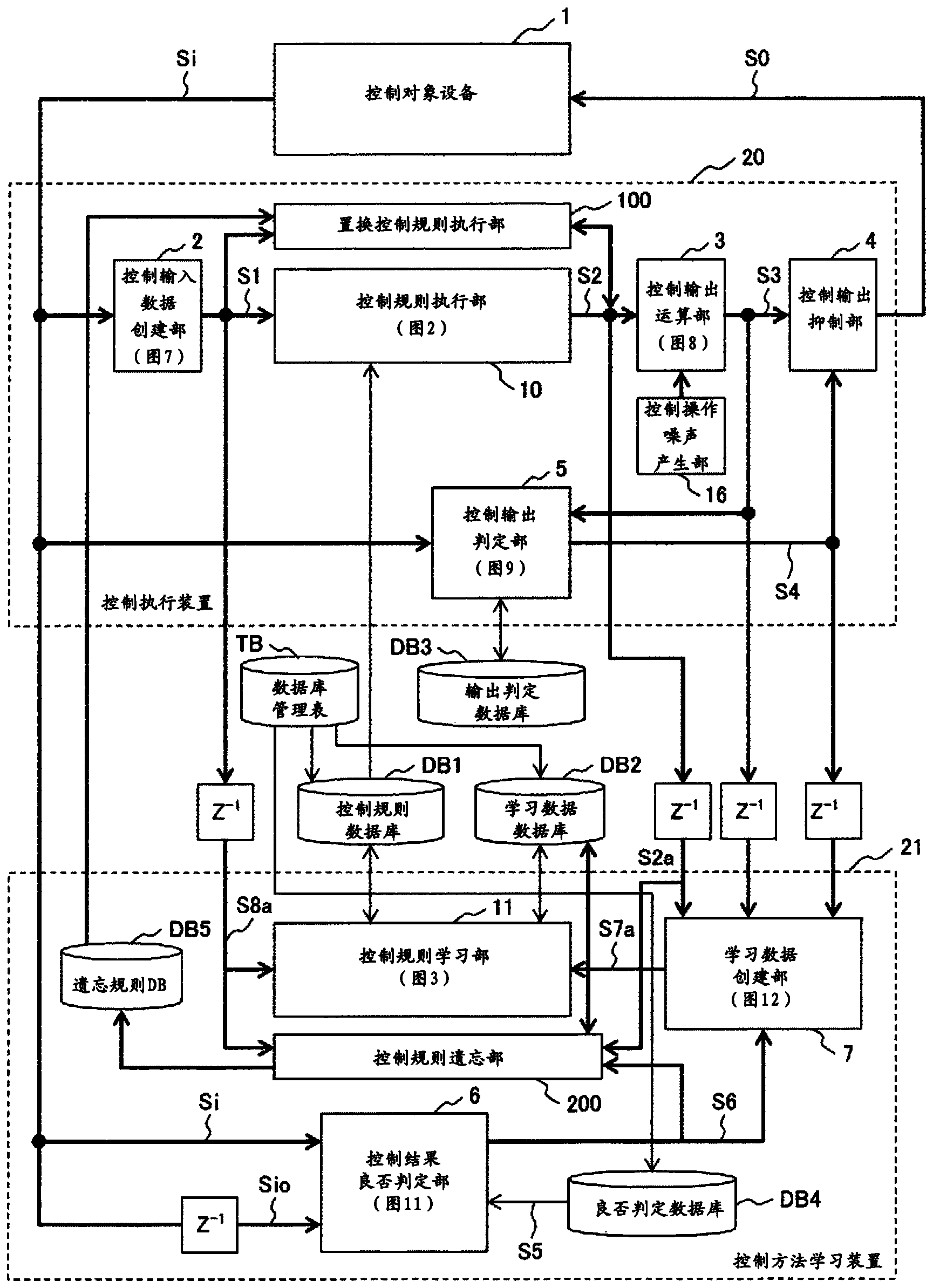
专利摘要:本发明公开了一种新能源机组控制参数日前调整方法、系统、设备和介质,所述方法包括:根据日前短路电流计算结果筛选短路电流超标母线及对应的运行方式,作为待控制母线与方式;挑选对短路电流控制有效的新能源机组,形成调整方案集,计算应用调整方案后各待控制方式的短路电流,筛选得到实际调整方案;对日前运行方式分别应用实际调整方案,进行暂态电压校核,若存在暂态电压失稳,筛选对暂态电压控制有效的新能源机组,形成调整方案集,计算应用调整方案后日前各运行方式的短路电流,得到控制参数日前调整方案。本发明的有益效果是:解决了现有技术中新能源机组控制参数存在反复调整以及未考虑新能源机组控制参数调整后对暂态电压影响的问题。

图片来源于网络,如有侵权,请联系删除
今年以来国电南瑞新获得专利授权227个,较去年同期增加了12.38%。结合公司2025年中报财务数据,今年上半年公司在研发方面投入了15.13亿元,同比增5.31%。

图片来源于网络,如有侵权,请联系删除
通过天眼查大数据分析,国电南瑞科技股份有限公司共对外投资了42家企业,参与招投标项目11432次;财产线索方面有商标信息19条,专利信息6415条,著作权信息1534条;此外企业还拥有行政许可184个。
数据来源:天眼查APP
以上内容为证券之星据公开信息整理,由AI算法生成(网信算备310104345710301240019号),不构成投资建议。
目录 返回
首页
